








适用于输送不含固体颗粒和纤维,温度不低于180℃,粘度为5×10-6~1.5x10-3m2/S(5~1500cst)的润滑油或性质类似润滑油的其他液体。
应用范围
在输油系统中可用作传输、增压泵;
在燃油系统中可用作输送、加压、喷射的燃油泵;
在工业中,均可作润滑泵用。
结构特点
本系列齿轮泵主要有齿轮、轴、泵体、安全阀、轴端密封所组成。齿轮经热处理有硬度和强度,与轴一同安装在可更换的轴套内运转。泵内全部零件的润滑均在泵工作时利用输出介质而自动达到。 泵内有设计合理的泄油和回油槽,是齿轮在工作中承受的扭矩力小,因此轴承负荷小,磨损小,泵效率。 泵设有安全阀作为超载保护,安全阀的全回流压力为泵额定排除压力的1.5倍,也可在允许排出压力范围内根据实际需要另外调整。但注意本安全阀不能作减压阀的长期工作,需要时可在管路上另行安装。从主轴外伸端向泵看,为顺时针旋转。 本系列齿轮油泵结构简单紧凑,使用维护方便,运转平稳,使用安全可靠。
|
型号 |
流量 Q |
转速 n |
排出压力 p |
必需汽 |
效率 |
电动机 |
||
|
m3/h |
L/min |
功率KW |
型号 |
|||||
|
KCB-18.3 |
1.1 |
18.3 |
1400 |
1.45 |
5 |
44 |
1.5 |
Y90L-4 |
|
2CY-1.1/1.45 |
||||||||
|
KCB-33.3 |
2 |
33.3 |
1420 |
1.45 |
5 |
44 |
2.2 |
Y100L1-4 |
|
2CY-2/1.45 |
||||||||
|
kcb-55 |
3.3 |
55 |
1400 |
0.33 |
7 |
41 |
1.5 |
Y90L-4 |
|
2CY-3.3/0.33 |
||||||||
|
KCB-83.3 |
5 |
83.3 |
1420 |
0.33 |
7 |
43 |
2.2 |
Y100L1-4 |
|
2CY-5/0.33 |
||||||||
|
KCB-135 |
8 |
135 |
940 |
0.33 |
5 |
46 |
2.2 |
Y112M-6 |
|
2CY-8/0.33 |
||||||||
|
KCB-200 |
12 |
200 |
1440 |
0.33 |
5 |
46 |
4 |
Y112M-4 |
|
2CY-12/0.33 |
||||||||
|
KCB-300 |
18 |
300 |
960 |
0.36 |
5 |
42 |
5.5 |
Y132M2-6 |
|
2CY-18/0.36 |
||||||||
|
KCB-483.3 |
29 |
483.3 |
1440 |
0.36 |
5.5 |
42 |
7.5 |
Y132M-4 |
|
2CY-29/0.36 |
||||||||
|
KCB-633 |
38 |
633 |
970 |
0.28 |
6 |
43 |
11 |
Y160L-6 |
|
2CY-38/0.28 |
||||||||
|
KCB-960 |
58 |
960 |
1470 |
0.28 |
6.5 |
43 |
18.5 |
Y180M-4 |
|
2CY-58/0.28 |
||||||||
|
KCB-1200 |
72 |
1200 |
740 |
0.6 |
7 |
43 |
37 |
Y280S-8 |
|
KCB-1600 |
95 |
1600 |
980 |
45 |
Y280S-6 |
|||
|
KCB-1800 |
112 |
1800 |
740 |
0.6 |
7.5 |
43 |
55 |
Y315S-8 |
|
KCB-2500 |
150 |
2500 |
985 |
75 |
Y315S-6 |
|||
|
KCB-2850 |
170 |
2850 |
740 |
0.6 |
8 |
44 |
90 |
Y315L1-8 |
|
KCB-3800 |
230 |
3800 |
989 |
110 |
Y315L1-6 |
|||
|
KCB-4100 |
245 |
4100 |
743 |
0.6 |
8 |
44 |
132 |
Y355M1-8 |
|
KCB-5400 |
325 |
5400 |
989 |
160 |
Y355M1-6 |
|||
|
KCB-5600 |
330 |
5600 |
744 |
0.6 |
8 |
44 |
160 |
Y355M2-8 |
|
KCB-7600 |
460 |
7600 |
989 |
200 |
Y355M3-6 |
|||
|
KCB-7000 |
420 |
7000 |
744 |
0.6 |
8 |
44 |
185 |
Y355L1-8 |
|
KCB-9600 |
570 |
9600 |
989 |
250 |
Y355L2-6
|
|||
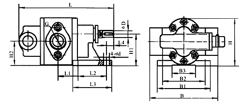
KCB18.3~83.3型泵外型、安装尺寸

| 型号 | L | L1 | L2 | L3 | L4 | B | B1 | B2 | B3 | H | H1 | H2 | φD | G | 4-φd |
| KCB-18.3 | 217.5 | 35 | 80 | 115 | 16 | 192 | 150 | 120 | 66 | 136 | 90 | 69 | 20 | G3/4" | 16 |
| KCB-33.3 | 231 | 42.5 | 80 | 115 | 16 | 192 | 150 | 120 | 66 | 136 | 90 | 69 | 20 | G3/4" | 16 |
| KCB-55 | 246 | 50 | 80 | 115 | 16 | 192 | 150 | 120 | 66 | 136 | 90 | 69 | 20 | G1" | 16 |
| KCB-83.3 | 271 | 62 | 80 | 115 | 16 | 192 | 150 | 120 | 66 | 136 | 90 | 69 | 20 | G11/2" |
16 |
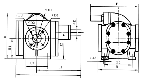
KCB200-960型泵外型、安装尺寸

|
型号 |
L |
L1 |
L2 |
B1 |
B2 |
H |
H1 |
H2 |
F |
φD1 |
φD2 |
φD3 |
n×d |
φD |
4-φd |
|
KCB-200 |
290 |
200 |
66 |
214 |
160 |
263.5 |
118 |
152.5 |
300 |
140 |
110 |
50 |
4-M12 |
28 |
13 |
|
KCB-300 |
354 |
230 |
90 |
225 |
180 |
308 |
128 |
170 |
318 |
155 |
123 |
70 |
6-M14 |
32 |
16 |
|
KCB-483.3 |
354 |
230 |
90 |
225 |
180 |
308 |
128 |
170 |
318 |
155 |
123 |
70 |
6-M14 |
32 |
16 |
|
KCB-633 |
415 |
270 |
120 |
280 |
175 |
385 |
188 |
205 |
380 |
190 |
158 |
100 |
8-M14 |
38 |
18 |
|
KCB-960 |
415 |
270 |
120 |
280 |
175 |
385 |
188 |
205 |
380 |
190 |
158 |
100 |
8-M14 |
38 |
18 |
KCB-18.3~KCB-83.3外型、安装尺寸及重量

|
型号 |
L |
L1 |
L2 |
L3 |
L4 |
L5 |
H |
H1 |
H2 |
H3 |
H4 |
B |
B1 |
B2 |
B3 |
B4 |
A |
G |
重量 |
|
KCB-18.3 |
566 |
391 |
239 |
86 |
75 |
86 |
230 |
176 |
130 |
109 |
40 |
259 |
225 |
190 |
155 |
192 |
52 |
G3/4" |
62.15 |
|
KCB-33.3 |
618 |
416 |
256 |
86 |
82 |
93 |
285 |
186 |
140 |
119 |
50 |
279 |
245 |
190 |
180 |
192 |
52 |
G3/4" |
66.8 |
|
KCB-55 |
595 |
391 |
239 |
86 |
89.5 |
100.5 |
230 |
176 |
130 |
109 |
40 |
259 |
225 |
190 |
155 |
192 |
70 |
G1" |
64.15 |
|
KCB-83.3 |
652 |
416 |
256 |
94 |
102 |
113 |
285 |
186 |
140 |
119 |
50 |
279 |
245 |
190 |
180 |
192 |
78 |
G11/2" |
70.15 |

![]()










