80FSB-30耐腐蚀防爆氟塑料合金离心泵概述
FSB泵采用特种泵工艺加工制造。适合于在 -85 ℃ ~ 200 ℃ 条件下 , 长期输送任意浓度的任意介质酸、氧化剂及腐蚀性介质。因而广泛应用于化工、石油、制药、染料、油漆、冶炼、造纸、电镀、电力、食品等行业。
过流部分全部采用氟合金(聚四氟乙烯和聚全氟乙 等多种氟材料经过合理配方)模压、加工而成,具有较强的耐腐蚀性、机械强度高、不老化、无毒素分解等优点。
FSB 系列产品的生产、制造及验收规范,严格执行了有关标准规定,并台台检测,备案待查。其机械密封由英国格兰公司与国内联合制造,性能十分可靠,维修方便,节约能源,是杜 跑、冒、滴、漏建设文明工厂的理想防腐输送设备。
40FSB-20耐腐蚀防爆氟塑料合金离心泵 耐酸碱化工管道离心泵结构
1 | 出口法兰 | 聚乙烯 | ![]() |
2 | 叶轮 | 45#/F46 | |
3 | 泵体 | F46 | |
4 | 调整圈 | 氟橡胶 | |
5 | 后盖 | HT200/F46 | |
6 | 机械密封 | 硬质合金或碳化硅 | |
7 | 支架 | HT200 | |
8 | 轴承压盖 | HT200 | |
9 | 轴承 | ||
10 | 吊环 | 45# | |
11 | 泵轴 | 45# | |
12 | 护罩 | 热轧板 | |
13 | 螺母 | A3 | |
14 | 拉紧螺栓 | 45# | |
15 | 底板 | HT200 | |
16 | 圆螺母 | 45# |
80FSB-30氟塑料合金离心泵性能参数

规格 型号 | 流量m3/h | 扬 程 m | 入 口 mm | 出 口 mm | 配用 功率 kw | 转 速 r/min | 气蚀 余量 m | 效 率 % |
25FSB-10 | 1.5 | 10 | 25 | 20 | 1.5 | 2900 | 4.5 | 29 |
25FSB-18 | 3.6 | 18 | 25 | 20 | 1.5 | 2900 | 4.5 | 27 |
40FSB-15 | 5 | 15 | 40 | 32 | 1.5 | 2900 | 4.5 | 51 |
40FSB-20 | 10 | 20 | 40 | 32 | 3 | 2900 | 4 | 47 |
40FSB-30 | 10 | 30 | 40 | 32 | 3 | 2900 | 4 | 55 |
40FSB-40 | 10 | 40 | 40 | 32 | 5.5 | 2900 | 4.5 | 35 |
40FSB-50 | 10 | 50 | 40 | 32 | 7.5 | 2900 | 4.5 | 33 |
50FSB-20 | 20 | 20 | 50 | 40 | 3 | 2900 | 3 | 55 |
50FSB-25 | 15 | 25 | 50 | 40 | 4 | 2900 | 4 | 64.5 |
50FSB-30 | 15 | 30 | 50 | 40 | 4 | 2900 | 4 | 70 |
50FSB-40 | 15 | 40 | 50 | 40 | 5.5 | 2900 | 4.5 | 39 |
50FSB-50 | 15 | 50 | 50 | 40 | 7.5 | 2900 | 4.5 | 38 |
65FSB-32 | 29 | 32 | 65 | 50 | 5.5 | 2900 | 3.5 | 45 |
65FSB-40 | 29 | 40 | 65 | 50 | 11 | 2900 | 4 | 53 |
80FSB-20 | 50 | 20 | 80 | 65 | 5.5 | 2900 | 4 | 72 |
80FSB-30 | 50 | 30 | 80 | 65 | 7.5 | 2900 | 4 | 64 |
80FSB-34 | 50 | 34 | 80 | 50 | 11 | 2900 | 4 | 65 |
80FSB-40 | 50 | 40 | 80 | 50 | 11 | 2900 | 4.5 | 67 |
80FSB-50 | 50 | 50 | 80 | 50 | 15 | 2900 | 4.5 | 65 |
100FSB-15 | 80 | 15 | 100 | 65 | 11 | 2900 | 4.5 | 72 |
100FSB-30 | 100 | 30 | 100 | 80 | 15 | 2900 | 4 | 74 |
100FSB-40 | 100 | 40 | 100 | 80 | 22 | 2900 | 4 | 74 |
100FSB-50 | 100 | 50 | 100 | 80 | 30 | 2900 | 4.5 | 72 |
125FSB-12 | 90 | 12 | 125 | 80 | 7.5 | 1450 | 4.5 | 73 |
125FSB-40 | 150 | 40 | 125 | 80 | 37 | 2900 | 4 | 78 |
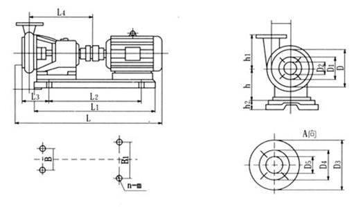
FSB耐腐蚀氟塑料合金离心泵安装尺寸

规格型号 | L | L1 | L2 | L3 | L4 | D | D1 | 132 | D3 | D4 | D5 | B | B1 | d | h | h1 | h2 | n—m |
25FSB-10 | 940 | 730 | 455 | 130 | 380 | 100 | 75 | 25 | 110 | 90 | 20 | 250 | 310 | 65 | 112 | 130 | 78 | 4-φ18 |
25FSB-18 | 940 | 730 | 455 | 130 | 380 | 100 | 75 | 25 | 110 | 90 | 20 | 250 | 310 | 65 | 112 | 130 | 78 | 4-φ18 |
40FSB-15 | 940 | 730 | 455 | 130 | 400 | 130 | 100 | 40 | 130 | 100 | 32 | 250 | 310 | 80 | 112 | 130 | 78 | 4-φ18 |
40FSB-20 | 940 | 730 | 455 | 130 | 400 | 130 | 100 | 40 | 130 | 100 | 32 | 250 | 310 | 80 | 112 | 130 | 78 | 4-φ18 |
40FSB-30 | 940 | 730 | 455 | 130 | 400 | 130 | 100 | 40 | 130 | 100 | 32 | 250 | 310 | 80 | 112 | 130 | 78 | 4-φ18 |
40FSB-40 | 940 | 730 | 455 | 130 | 400 | 130 | 100 | 40 | 130 | 100 | 32 | 250 | 310 | 80 | 112 | 130 | 78 | 4-φ18 |
50FSB-20 | 940 | 730 | 455 | 130 | 400 | 130 | 100 | 50 | 130 | 100 | 32 | 250 | 310 | 80 | 112 | 130 | 78 | 4-φ18 |
50FSB-25 | 940 | 730 | 455 | 130 | 400 | 130 | 100 | 50 | 130 | 100 | 40 | 250 | 310 | 80 | 112 | 130 | 78 | 4-φ18 |
50FSB-30 | 940 | 730 | 455 | 130 | 400 | 130 | 100 | 50 | 130 | 100 | 40 | 250 | 310 | 80 | 112 | 130 | 78 | 4-φ18 |
50FSB-40 | 1045 | 830 | 560 | 130 | 400 | 130 | 100 | 50 | 130 | 100 | 40 | 250 | 375 | 80 | 112 | 130 | 78 | 4-φ18 |
50FSB-50 | 1045 | 830 | 560 | 130 | 400 | 130 | 100 | 50 | 130 | 100 | 40 | 250 | 375 | 80 | 112 | 130 | 78 | 4-φ18 |
65FSB-32 | 1045 | 830 | 560 | 240 | 410 | 185 | 150 | 65 | 160 | 135 | 50 | 250 | 375 | 95 | 132 | 150 | 65 | 4-φ18 |
65FSB-40 | 1045 | 830 | 560 | 240 | 410 | 185 | 150 | 65 | 160 | 135 | 50 | 250 | 375 | 100 | 132 | 185 | 65 | 4-φ18 |
65FSB-50 | 1045 | 830 | 560 | 240 | 410 | 185 | 150 | 65 | 160 | 135 | 50 | 250 | 375 | 100 | 132 | 185 | 65 | 4-φ18 |
80FSB-20 | 1045 | 830 | 560 | 240 | 410 | 185 | 150 | 80 | 160 | 135 | 65 | 250 | 375 | 95 | 132 | 150 | 65 | 4-φ18 |
80FSB-30 | 1045 | 830 | 560 | 240 | 410 | 185 | 150 | 80 | 160 | 135 | 65 | 250 | 375 | 95 | 132 | 150 | 65 | 4-φ18 |
80FSB-34 | 1045 | 830 | 560 | 240 | 410 | 185 | 150 | 80 | 160 | 135 | 65 | 250 | 375 | 95 | 132 | 150 | 65 | 4-φ18 |
80FSB-40 | 1045 | 830 | 560 | 240 | 410 | 185 | 150 | 80 | 160 | 135 | 65 | 250 | 375 | 100 | 132 | 185 | 65 | 4-φ18 |
80FSB-50 | 1045 | 830 | 560 | 240 | 410 | 185 | 150 | 80 | 160 | 135 | 50 | 250 | 375 | 100 | 132 | 185 | 65 | 4-φ18 |
80FSB-55 | 1310 | 970 | 610 | 245 | 500 | 185 | 150 | 80 | 160 | 135 | 65 | 330 | 430 | 110 | 160 | 205 | 100 | 4-φ18 |
80FSB-80 | 1310 | 970 | 640 | 245 | 500 | 185 | 150 | 80 | 160 | 135 | 65 | 330 | 430 | 135 | 160 | 205 | 100 | 4-φ18 |
100FSB-32 | 1330 | 970 | 640 | 245 | 500 | 185 | 150 | 100 | 160 | 135 | 65 | 330 | 430 | 110 | 160 | 205 | 120 | 4-φ18 |
100FSB-50 | 1360 | 970 | 640 | 245 | 500 | 185 | 150 | 100 | 160 | 135 | 65 | 330 | 430 | 110 | 160 | 205 | 160 | 4-φ18 |
FSB氟塑料合金离心泵故障维护
故 障 | 原 因 | 解决方法 |
打不出液体 | 1、吸人管内有空气,进口阻塞 2、吸上高度太高 3、要求扬程大于泵扬程 4、排出管过细,管路损失过大 5、反转 | 1、清理管路,排净空气 2、降低泵安装高度 3、更换扬程大的泵 4、换口径与泵口等大的输出管 5、改变方向 |
流量不足 | 1、叶轮损坏 2、密封件损坏 3、转数不足 4、进口管过细 5、出口管弯头过多,阻力过大 | 1、更换新叶轮 2、更换密封件 3、增加转数 4、按规定重装管道 5、重新合理安排管路 |
扬程不足 | 1、输送介质中含有气体或介质粘度过大 2、叶轮和叶片损坏 3、转数不足 | 1、降低介质粘度或增加注灌压力 2、更换叶轮 3、增加转数 |
轴端渗漏 | 1、机械密封卡环过松 2、轴端卡环过渡尺寸间隙太大 | 1、旋紧卡环两只内六角螺钉 2、将泵拆卸,轴、卡挡绕F4生料带薄膜数圈,紧配合,螺栓旋紧 |
密封泄漏严重 | 1、密封元件材料选用不当 2、磨擦付严重磨损 3、动静环吻不匀 4、磨擦付过大静环碎裂 | 1、向供泵单位述明介质情况,配适当动静环 2、更换磨损另件,并调整弹簧压力,减少磨损 3、密封组合体松卡环螺栓重新调正位置 4、整泵拆卸,换静环按要求装密封组合件与 轴垂直度误差<0.1 0mm |
泵内有杂音或泵振动 | 1、泵轴与电机轴不同心 2、流量超过使用范围产生气蚀 3、泵产生气蚀 4、电动机与轴承磨损 | 1、校正泵轴中心 2、选用适当的泵型,按泵使用范围运转 3、降低介质的温度或增加灌注压力 4、清洗或更换轴承 |
FSB氟塑料离心泵订货须知:
一、①产品名称与氟塑料离心泵型号②氟塑料离心泵口径③氟塑料离心泵扬程(m)④氟塑料离心泵流量⑤氟合金离心泵电机功率(KW)⑥氟塑料离心泵转速(r/min)⑦氟塑料离心泵电压〔V〕⑧氟塑料离心泵材质⑨氟塑料离心泵是否带附件以便我们的为您正确选型。
二、若已经由设计单位选定我公司的氟塑料离心泵产品型号,请按塑料离心泵型号直接向中球泵业公司销售部订购。
三、当使用的场合非常重要或环境比较复杂时,请您尽量提供设计图纸和详细参数,由我们中球泵业的技术专家为您审核把关。








